Page under construction!!


These amplifiers have been found locally and with minimal modification look as if they can be used up to 2.4GHz. So far tests have been done on the driver stages of the larger amplifier only
This appears to be identical internally to the stand alone small PA on the right.
15W was available with ease at 2.4GHz and I used the driver half of the larger amplifier as an uplink for QO100
Internal picture of the large amplifier below.

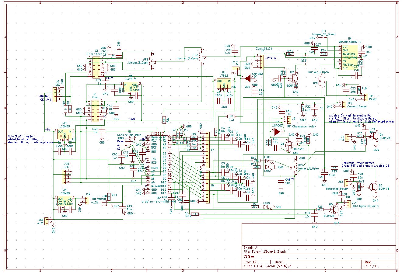
To make use of these I have designed a power distribution 'hat' suitable for both type of amplifier.
It will fit either PA block and is able to switch the main 26V supply under external control (eg PTT) or from the arduino, VSWR tripping is incorporated
The board has provision for an integrated arduino sequencer, thermal and VSWR protection and RF relay switching.
Prototypes PCBs will be ordered.
NOTE This is a work in progress. Component values etc. may change after evaluation of performance! I have not yet tested the RF performance of the final .